聯系人:曹剛
手機:17503175818
電話:17503175818
地址:河北省泊頭市富鎮北開發區


LMN-Ⅱ型脈動反吸反吹采用與其它袋式塵器清灰方式不同的脈動反吹氣流清灰方法較少的反吹氣流產生空氣振動,達到清灰的目的,使用方便,應用范圍較廣,LMN-Ⅱ型袋除塵器的清灰機構由鏈傳動裝置和切換脈動閥組成,具有結構簡單,運行、維修方便、除塵等特點,根據處量的大小,本除塵設備有不同數量的單元組合,分為3-14個單元組合形式。
LMN-Ⅱ型脈沖反吸反吹袋式除塵器型號說明
LMN-Ⅱ-180
L:過濾式
M:脈沖
N:逆氣流
Ⅱ:次設計
180:濾袋數
LMN-Ⅱ型脈動反吸反吹袋式除塵器解決濕潤的留意事項:
1、慎用除塵布袋:應選用不易粘湖的光面除塵布袋,如光面滌綸濾料729、針刺氈除塵布袋等。
2、較短的清灰周期:清灰周期短,有利于及時鏟除布袋外表石灰粉塵,削減粘結能夠。
3、石灰粉袋式除塵器設置旁路管道:當空氣相對濕度時,進入除塵體系的含塵空氣很易結露,為防止水氣進入袋式除塵器粘結濾料,應設置旁路管道,此刻可避開袋式除塵器,讓含塵空氣只通過榜首級旋風除塵器,然后排入大氣。以上可選用自動操控。
4、較低的過濾風速:過濾風速較高,將迫使微細石灰粉塵進入內彎曲微孔中發作阻塞,反吹清灰不力時,長時刻逗留于布袋內部而構成粘結物阻塞濾孔。而選用低過濾風速,可防止上述弊端。
5、滿足的清灰反吹壓力:用反吹風清灰,可將進入濾猜中的石灰粉塵清潔出來,而滿足的壓力,有利于較清潔濾猜中的粉塵。
6、選擇分室反吹類袋式除塵器,由于反轉反吹或一般脈沖袋式除塵器,反吹與作業未分開(即一狀況清灰),簡單構成混返表象,使已清潔的石灰粉塵再度貼附于濾料上而添加粘結能夠。而分室反吹類袋式除塵器作業時,總有一組(室)在反吹清灰而不作業,其他組(室)作業,這樣循環往復,使清灰和作業截然分開,有利于積留在除塵布袋外表和內部的石灰粉塵被鏟除潔凈,有用地防止了粘袋能夠
7、嚴守操作規程;石灰粉塵在除塵體系中逗留的時刻越短,那么石灰粉塵發作化學變化構成粘結物阻塞管道、濾料的能夠性越小。為此,有制定一套行之有用的操作規程,即:先發動除塵體系風機,后發動工藝設備;工藝設備停機后,除塵體系至少再運轉半小時——除塵體系風機運轉15分鐘,袋式除塵器清灰設備運轉20分鐘,袋式除塵器和旋風除塵器下灰閥運轉半小時。以上操控需求用電氣聯動或微機操控完成。
8、講究除塵管道規劃:除塵體系的管網管道規劃應盡能夠作到削減或防止石灰粉塵沉降、阻滯能夠,做到少異形件(三通、彎頭)、少渦流,選擇合理風速( >16m/s);并使除塵風管內呈速度遞增狀況。
9、定時清潔除塵體系:一月或兩月對整個除塵體系清潔一次。對除塵管道,可采納開啟旁路管道,進步管道內風速來清潔;對于袋式除塵器,可開動反吹風設備清灰設備、下灰閥進行清潔。
10、留意塵源操控罩規劃:不能把塵源操控罩當成粉塵接收容器,應該規劃成既能操控塵源不讓粉塵外逸,又盡能夠少地吸走粉塵,以減輕除塵體系擔負。
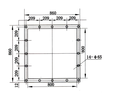
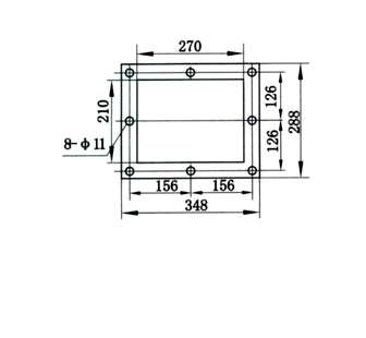
LMN-Ⅱ型脈沖反吸反吹袋式除塵器技術性能
| 型號 | 組數×袋數 | 過濾面積(m2) | 過濾風量(m3/h) | 過濾風速(米/分) | 阻力(Pa) | 外型尺寸(長×寬×高)(m) |
| LMN-Ⅱ-54 | 3×54 | 99 | 2970-11880 | 0.5~2.0 | 70~180 | 2595×2200×6610 |
| LMN-Ⅱ-72 | 4×72 | 132 | 3960-15840 | 3249×2200×6610 | ||
| LMN-Ⅱ-90 | 5×90 | 165 | 4950-19800 | 3989×2200×6610 | ||
| LMN-Ⅱ-108 | 6×108 | 198 | 5940-23760 | 4729×2200×6610 | ||
| LMN-Ⅱ-126 | 7×126 | 231 | 6930-27720 | 5469×2200×6610 | ||
| LMN-Ⅱ-144 | 8×144 | 264 | 7920-31680 | 6209×2200×6610 | ||
| LMN-Ⅱ-162 | 9×162 | 297 | 8910-35640 | 6999×2200×6610 | ||
| LMN-Ⅱ-180 | 10×180 | 330 | 9900-39600 | 7289×2200×6610 | ||
| LMN-Ⅱ-198 | 11×198 | 363 | 10890-43560 | 8429×2200×6610 | ||
| LMN-Ⅱ216- | 12×216 | 396 | 11880-47520 | 9169×2200×6610 | ||
| LMN-Ⅱ-234 | 13×234 | 429 | 12870-51480 | 9909×2200×6610 | ||
| LMN-Ⅱ-252 | 14×252 | 462 | 13860-55440 | 10649×2200×6610 |




河北省泊頭市富鎮北開發區 電話:17503175818 QQ:576545223 ICP備案號:冀ICP備17032954號-4